Kontakt

Produktbezeichnung: EVS 7010 - Grifflose Einbau-Vakuumierschublade in 14cm Höhe Obsidianschwarz

Grifflose Einbau-Vakuumierschublade in 14cm Höhe zum professionellen Vakuumieren von Lebensmitteln.

Schwarzes Rechteck auf hellem Hintergrund. Keine weiteren erkennbaren Elemente im Bild vorhanden.
Technischer Plan einer Wandkonstruktion mit Detailzeichnungen von Verbindungselementen und Maßen in Millimetern.
Schrank mit Schubladen, dargestellt als technische Zeichnung mit Maßen. Innenansicht zeigt Anordnung der Schubladen und Führungsschienen.
Schubladenauszug, dreidimensional. Maße sind angegeben: 550, 560+8, 142 und 595. Technische Zeichnung, grauer Hintergrund.
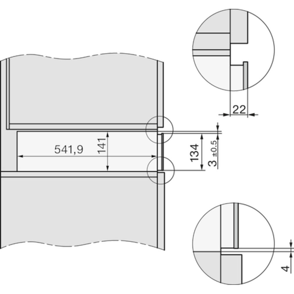
Technischer Plan einer Tür mit zwei Flügeln. Detailansichten der Verbindung und Maßeangaben sind dargestellt.
Schrank mit Innenraum und Maßen (560+8, 590+2, ≥550). Daneben zwei Schubladen und eine Ablagefläche mit Maßangabe 595. Technische Zeichnung.
Schrank mit drei Fächern, Maße: 560x550x731mm. Darunter zwei kleinere Schränke, jeweils 595x595mm. Technische Zeichnung.
Schrank mit einer Schublade. Maße sind angegeben: Breite 560+8, Höhe ≥550, Tiefe 595 und 140+2. Technisch-grafische Darstellung.
inkl. MwSt., ggf. zzgl. Versand
Dieser Artikel ist im Geschäft bestellbar. Nutzen Sie unsere Produktanfrage für Fragen zum Artikel.
Produktanfrage

Haben Sie Fragen zu diesem Produkt?

Artikel-Information:
  • Hersteller: MIELE
  • Artikelnummer: 390004002516128137
  • Werksnummer: 11103190
  • Typennummer: EVS7010
  • EAN: 4002516128137
Beratung vor Ort

Sie haben noch Fragen oder wünschen eine persönliche Beratung vor Ort?
Wir von Fründ Elektrogeräte helfen Ihnen gerne weiter!


Drei Gläser mit grünem Inhalt und weißem Deckel stehen in einer Edelstahlschüssel. Die Gläser sind mit „Pesto“ beschriftet.
Verschließen von Gläsern 

Dicht verschlossen 

Übriggebliebenes Pesto oder Babynahrung im Glas kann ganz einfach in der Miele Vakuumierschublade wiederverschlossen und anschließend sicher aufbewahrt werden. Ein Umfüllen ist dafür nicht nötig, denn Originalgläser mit einer Maximalhöhe von 8 cm lassen sich problemlos vakuumieren. Zudem können Sie auch Kompott, eingelegtes Gemüse, gekochte Lebensmittel oder Antipasti in Einweckgläsern in der Vakuumierschublade luftdicht verschließen. 


Lachsfilet auf einem metallischen Grill. Darunter eine schwarze Steuerleiste mit beleuchteten Symbolen und einem Ein-/Ausschalter.
Variable Verschweißdauer

Individuell verschweißen

Um Lebensmittel optimal im Vakuumierbeutel aufzubewahren oder für das Sous-vide-Garen vorzubereiten, ist die Wahl der Verschweißdauer entscheidend: Dünnere Beutel sowie Originalverpackungen wie z. B. Chipstüten sollten Sie auf Stufe 1 sanft und sicher verschließen. Dadurch bleiben Ihre Lebensmittel bestens geschützt vor Geruchs- oder Geschmacksübertragungen. Für das Sous-vide-Garen mit stärkeren Beuteln empfehlen wir die Stufe 3.


Schwarzer Backofen mit ausgefahrenem, schwarzem Garraum. Darin liegt gegrilltes Fleisch auf einem Rost. Moderner Küchenstil.
Vollauszug

Praktisch und ergonomisch

Dank des praktischen Vollauszuges lässt sich die Miele Vakuumierschublade komplett öffnen. Das erleichtert Ihnen das Befüllen und Entladen deutlich und sorgt für eine komfortable Handhabung. Aufgrund ihrer stabilen Teleskopschienen können Sie die Schublade ganz einfach heraus- und hineinschieben.


Drei transparente Plastiktüten liegen auf einer grauen Oberfläche. Inhalt sind orangefarbene, rosa und orangefarbene Lebensmittel. Im Hintergrund Möbel.
Lebensmittelgeeignete Vakuumierbeutel

Speziell für Lebensmittel

Die Miele Vakuumbeutel sind für spezielle Anforderungen entwickelt: Sie sind hitzebeständig, koch- und reißfest, lebensmittelgeeignet sowie ohne Weichmacher – so sind alle Lebensmittel sicher aufbewahrt. Besonders wichtig: Eine Geschmacksübertragung auf den Inhalt der Beutel ist ausgeschlossen. Im Lieferumfang finden Sie Kunststoffbeutel unterschiedlicher Größen. Benötigen Sie mehr? Weitere gibt es zum Nachkaufen im Miele Shop.


Backofen mit offenem Garraum. Auf einem Gitterrost liegt rohes Fleisch auf Backpapier. Innenraum mit Edelstahlwänden und Beleuchtung.
Große Nutzungsfläche

Ausreichend Platz für jede Größe

Ganz flexibel: Nutzen Sie die Miele Vakuumierschublade für Behälter und Beutel unterschiedlichster Größen. Bis zu einer maximalen Größe von 250 x 350 mm und einer Höhe von 80 mm finden im großzügigen Innenraum alle Arten von Lebensmitteln ausreichend Platz – je nachdem wie viel Sie vakuumieren wollen.


Rohes Steak in einem transparenten Vakuumbeutel innerhalb einer Vakuumiermaschine. Edelstahl-Gerät mit schwarzem Bedienfeld und gelben Kontrollleuchten.
Vakuumieren

Länger haltbar und perfekt vorbereitet

Durch das Entziehen von Luft und Sauerstoff werden Ihre Lebensmittel optimal auf das Sous-vide-Garen im Dampfgarer vorbereitet. Gleichzeitig können Sie Fisch, Fleisch und Gemüse im Vakuumierbeutel besonders gut portionieren, bevorraten, marinieren oder wiederverschließen. Ein weiterer Vorteil: Um eine maximale Haltbarkeit zu erzielen, vakuumieren Sie Lebensmittel, bevor Sie sie einfrieren – Vitamine und Geschmack bleiben bestens erhalten und es entsteht kein Gefrierbrand. Zudem sparen Sie Platz im Tiefkühlschrank.


Lachsfilet in einem Vakuumierbeutel auf einer Edelstahloberfläche. Darunter eine schwarze Bedienleiste mit Leuchtpunkten und „Miele“-Logo.
SensorTouch-Bedienung

Intuitiv und reduziert

Leichte Steuerung: Die Miele Vakuumierschubladen bedienen Sie ganz einfach und intuitiv über ein SensorTouch-Panel, das unter Glas liegt. Sie erhalten Direktzugriff auf alle Betriebsarten – für optimalen Bedienkomfort. Gleichzeitig lässt sich das Touch-Panel leicht reinigen und ist daher besonders pflegeleicht.


Schwarzer Backofen mit ausziehbarer Schublade. Eine Hand öffnet die Schublade seitlich. Dunkler Hintergrund mit vertikalen Linien.
Push2open

Eine Berührung genügt

Sie haben die Hände voll? Kein Problem – drücken Sie sanft auf die Schublade und sie öffnet sich sofort dank des praktischen Push2open-Mechanismus. Eine Federvorspannung sorgt dafür, dass die Schublade weit aufspringt und Sie diese ganz einfach beladen und bedienen können. Der bewusste Verzicht auf einen Griff schafft außerdem die perfekte Designhomogenität mit unseren Einbaugeräten.


Ein schwarzer Backofen mit geöffneter Tür und darin liegendem Braten. Im Hintergrund ein heller Essbereich mit Stühlen und Fenster.
Vorbereitung Sous-vide

Optimal vorbereitet

Für das schonende Sous-vide-Garen mit dem Miele Dampfgarer bereiten Sie Ihre Speisen perfekt mit der Miele Vakuumierschublade vor. Dafür wird den Vakuumierbeuteln mit Ihren Lebensmitteln Luft und Sauerstoff entzogen. Anschließend sind sie bereit für das besonders schonende Sous-vide-Garen, bei dem ein Großteil der Vitamine und Nährstoffe erhalten bleibt. Gleichzeitig gelingt z. B. Fleisch besonders saftig und mit einem kräftigen Aroma.


Sous-Vide-Garer von Miele, geöffnet, mit roter Flüssigkeit in einem transparenten Behälter. Edelstahlfront und weiße Arbeitsplatte im Hintergrund.
Vakuumieren von Flüssigkeiten 

Sicher aufgehoben

Ist von Ihrer Vorspeisen-Suppe etwas übriggeblieben? Dann vakuumieren Sie diese ganz einfach in einem Beutel und sie bleibt länger haltbar. Außerdem können Sie vakuumierte Flüssigkeiten besonders platzsparend im Kühlschrank aufbewahren. Auch Marinaden und Salatsoßen sind für diese Methode bestens geeignet. Möchten Sie Flüssigkeiten transportieren? Dann sind sie im Vakuumbeutel besonders sicher aufgehoben. 


Scheibchenförmige Karotten in einem transparenten Vakuumierbeutel auf einer silbernen Oberfläche. Gerät zur Vakuumierung im Hintergrund.
Drei Vakuumierstufen

Passend für jede Anwendung

Wählen Sie aus drei unterschiedlichen Vakuumstufen: Sie möchten druckempfindliche Früchte schonend vakuumieren? Dann wählen Sie Stufe 1. Für Fleisch empfehlen wir Ihnen die höchste Stufe 3 und für Gerichte mit einem hohen Flüssigkeitsanteil Stufe 2. So schützen Sie Ihre Lebensmittel optimal und sorgen für das beste Ergebnis.


Zubereitete Speisen: rohes Fischfilet, Karottenstreifen, Algen, Fleischstücke und grüne Kräuter auf einer weißen Oberfläche, Vogelperspektive.
Portionieren 

Die richtige Menge 

Sie möchten Ihre Lebensmittel immer frisch genießen? Gewürze, Käse und Wurst lassen sich mit der Miele Vakuumierschublade ganz einfach portionieren. Dadurch bleibt ihr Geschmack erhalten und sie sind länger genießbar. Besonders Weichkäse hält sich vakuumiert im Kühlschrank viel besser. Erwärmen Sie bequem eine Portion Lasagne im Vakuumierbeutel mit dem Dampfgarer oder portionieren Sie Müsli platzsparend und trocken in der Vakuumierschublade. 


Zubereitete Speisen: rohes Fischfilet, Karottenstreifen, Algen, Fleischstücke und grüne Kräuter auf einer weißen Oberfläche, Vogelperspektive.
Große Anwendungsvielfalt

Vielfältige Möglichkeiten

Egal ob Sie Lebensmittel länger haltbar machen oder portionieren möchten: Unsere Vakuumier-Schublade bietet Ihnen die verschiedensten Anwendungsmöglichkeiten. Vakuumierte Lebensmittel bleiben länger frisch und sind perfekt vorbereitet für das Sous-vide-Garen. Genießen Sie einen intensiven Geschmack, in dem Sie mariniertes Fleisch vakuumieren. Besonders praktisch: Angebrochene Verpackungen oder Gläser lassen sich ganz einfach wiederverschließen.


Nahaufnahme einer geöffneten Mikrowelle mit einer Tüte Kartoffelchips darin. Das Gerät ist aus Edelstahl und schwarz.
Wiederverschließen 

Frische - auch beim zweiten Öffnen 

Das kennen Sie sicher auch: Nach einem Fernsehabend bleiben angebrochene Chips- und Popcornverpackungen übrig. Unsere Vakuumierschublade bietet dafür die optimale Lösung, denn sie verschließt Originalverpackungen sanft und sicher. Dadurch schützen Sie Ihre Lebensmittel vor ungewünschten Geschmacks- und Geruchsübertragungen. Die übriggebliebenen Knabbereien schmecken so auch später noch lecker.


Vakuumiergerät von Miele mit Behälter gefüllt mit gehackter Petersilie. Edelstahl-Design, digitales Bedienfeld.
Wiederverwendbare Vakuumierbehälter

Lange Nutzungsdauer

Der Umwelt zuliebe: In wiederverwendbaren Vakuumierbehältern sind Ihre Lebensmittel besonders gut geschützt. Gleichzeitig können Sie die Behälter immer wieder verwenden und in der Vakuumierschublade ganz einfach mithilfe eines Adapters anschließen.


Vakuumiergerät von Miele mit Behälter gefüllt mit gehackter Petersilie. Edelstahl-Design, digitales Bedienfeld.
Vakuumieren im Behälter 

Immer unversehrt 

Für druckempfindliche Lebensmittel wie Kräuter, Gemüse oder Obst eignen sich die Vakuumierbehälter optimal. Auch Aufschnitt oder Flüssigkeiten wie Suppen oder Saucen können Sie im Vakuumierbehälter ganz bequem portionieren und länger haltbar machen. Schließen Sie dafür die gefüllten Behälter ganz bequem an den speziellen Adapter in der Vakuumierschublade an – über diesen wird während des Vakuumiervorgangs die enthaltene Luft entzogen. 


Vakuumiergerät mit rohem Fleisch (Rind) in einem transparenten Beutel. Edelstahl-Gerät mit Bedienelementen.
Marinieren 

Maximaler Geschmack 

Besonders kräftig im Geschmack: Marinieren Sie Fleisch oder Fisch und vakuumieren Sie es anschließend mit der Miele Vakuumierschublade. Durch das Vakuum wird der Geschmack der Marinade um ein Vielfaches verstärkt, da zum Beispiel Aromen nicht oxidieren. Kräuter und Gewürze können dadurch konzentriert auf das Lebensmittel einwirken – das Ergebnis ist besonders geschmacksintensiv. 


Offener Backofen mit Blech. Darauf liegen marinierte Fischfilets mit Kräutern und Zitrone. Edelstahl-Innenraum und Bedienelemente sichtbar.
Längere Haltbarkeit 

Längere Haltbarkeit 

Kurzfristig lagern Sie Fisch und Gemüse am besten in der Perfect-Fresh-Zone im Kühlschrank – vakuumiert bleiben Ihre Lebensmittel um ein Vielfaches länger haltbar, ohne Geschmack oder Qualität zu verlieren. Im Gefrierschrank schützt das Vakuumieren Ihre Lebensmittel vor Gefrierbrand sowie vor Geschmacks- und Geruchsübertragung. Nicht zuletzt bleiben auch Brot und Brötchen vakuumiert bei Raumtemperatur langanhaltend frisch. 

Allgemeine Informationen
 
EAN-Nummer
4002516128137
Materialnummer Hersteller
11103190
Modellbezeichnung
EVS 7010
Anwendungsvielfalt
 
Behälter vakuumieren
Ja
Lebensmittel marinieren
Ja
Lebensmittel portionieren
Ja
Lebensmittel vakuumieren
Ja
Originalverpackung wieder verschließen
Ja
Vakuumieren von Flüssigkeiten
Ja
Verschließen von Gläsern
Ja
Bauform und Design
 
ArtLine
Ja
Einbau-Vakuumierschublade
Ja
Farbe
Obsidianschwarz
Grifflos
Ja
PureLine
Ja
VitroLine
Ja
Bedienkomfort
 
Anzeige Schweißdauer über LED
Ja
Anzeige Vakuumierstärke für externe Behälter über LED
Ja
Anzeige Vakuumierstärke über LED
Ja
Bedienleiste mit Sensortasten
Ja
Bedienleiste mit Symbolbeschriftung
Ja
Fassungsvermögen Edelstahl-Vakuumierkammer in l
8.0 L
Maximale Beutelgröße in mm
350 MM
Minimale Beutelgröße in mm
250 MM
Push2open Mechanismus
Ja
Schweißdauer in Stufen
1 - 3
Stopp-Funktion
Ja
Vakuumierstärke max. für externe Behälter in Stufen
3
Vakuumierstärke max. in Stufen
3
Vakuumierstärke min. für externe Behälter in Stufen
1
Vakuumierstärke min. in Stufen
1
Vollauszug für einfaches Be- und Entladen
Ja
Betriebsarten
 
Vakuumieren
Ja
Genussvorteile
 
Längere Haltbarkeit von Lebensmitteln
Ja
Marinieren von Lebensmitteln
Ja
Vorbereiten für das Sous-vide-Garen
Ja
Mitgeliefertes Zubehör
 
Adapter für Behälter vakuumieren
1 ST
Anzahl Vakuumierbeutel 180 x 280 mm
50
Anzahl Vakuumierbeutel 240 x 350 mm
50
Beutelabstützung
1 ST
Vakuumierbeutel
Ja
Pflegekomfort
 
Auswechselbare Schweißbalken
Ja
Flächenbündige Bedienleiste
Ja
Hinweis Entfeuchtung Unterdruckpumpe
Ja
Sicherheit
 
Sicherheitsausschaltung
Ja
Technische Daten
 
Absicherung in A
10 A
Anschlusskabel mit Stecker
Ja
Frequenz in Hz
50-60
Frequenz in Hz
50-60 HZ
Gerätebreite in mm
595 MM
Gerätehöhe in mm
141 MM
Gerätemaße (B x H x T) in mm
595 x 141 x 570
Gerätetiefe in mm
570 MM
Gesamtanschlusswert in kW
0.320 KW
Länge der elektrischen Zuleitung in m
1.8 M
Nutzbare Innenhöhe in mm
80 MM
Phasenanzahl
1
Phasenanzahl
1 ST
Spannung in V
230 V
Vakuumiertechnik
 
Edelstahl-Vakuumierkammer
Ja
Saugleistung Pumpe in m³/h
4 MQH

Länger haltbar und perfekt vorbereitet

  • Ideale Bedingungen: Vakuumieren Sie Lebensmittel zum Bevorraten, Portionieren, Marinieren und Wiederverschließen.

Ausreichend Platz für jede Größe

  • Egal ob große Mengen oder kleine: Die Nutzungsfläche eignet sich für Vakuumbeutel bis max. 250 x 350 mm.

Passend für jede Anwendung

  • Individuell einstellen: Sie können beim Vakuumieren zwischen drei Stufen wählen - passend für jedes Lebensmittel.

Eine Berührung genügt

  • Öffnen im Handumdrehen: Ein leichter Druck auf die Schublade genügt.

Intuitiv und reduziert

  • Elegant und pflegeleicht: Über ein flächenbündiges Touch-Panel bedienen Sie komfortabel mit modernster Technik.

Optimal vorbereitet

  • Perfekt für das Sous-vide-Garen: Geschmack und Nährstoffe der vakuumierten Lebensmittel bleiben erhalten.

Längere Haltbarkeit 

  • Perfekt aufbewahren: Vakuumieren Sie Ihre Lebensmittel und sie bleiben deutlich länger haltbar und frisch. 

Maximaler Geschmack 

  • Intensivieren Sie Ihr Geschmackserlebnis durch das Vakuumieren Ihrer Lebensmittel mit Marinaden und Kräutern.

Die richtige Menge 

  • Ob viel oder wenig – portionieren Sie individuelle Mengen an Lebensmitteln zum Bevorraten oder Sous-vide-Garen. 

Immer unversehrt 

  • Haltbarmachen im Behälter: Empfindliche Lebensmittel wie Früchte oder Kräuter werden nicht beschädigt. 

Sicher aufgehoben

  • Platzsparend und sicher verpackt: Auch Flüssigkeiten können Sie problemlos in einem Kunststoffbeutel vakuumieren.

Dicht verschlossen 

  • Sicher und frisch aufbewahrt: Pesto, Babynahrung und vieles mehr kann im Glas vakuumiert werden.

Frische - auch beim zweiten Öffnen 

  • Für längeren Genuss: Verschließen Sie angebrochene Verpackungen sanft und sicher.

Vielfältige Möglichkeiten

  • Mit unserer Vakuumier-Schublade können Sie Lebensmittel portionieren, bevorraten und vieles mehr.

Speziell für Lebensmittel

  • Sicher verpackt: Miele Vakuumbeutel sind temperaturbeständig, luftundurchlässig und geschmacksneutral.

Lange Nutzungsdauer

  • Die nachhaltige Alternative: Vakuumierbehälter können Sie im Gegensatz zu Vakuumbeuteln immer wieder nutzen.

Individuell verschweißen

  • Perfekt für jede Beutelstärke: Je nach Material können Sie zwischen drei verschiedenen Schweißstufen wählen.

Praktisch und ergonomisch

  • Besonders komfortabel: Sie können die Schublade zum bequemen Befüllenoder Entladen vollständig öffnen.
Keyfeatures
  • Länger haltbar - Bevorratung und Portionieren von Lebensmitteln
  • Intensive Geschmackserlebnisse - Marinieren von Lebensmitteln
  • Vorbereitung von Lebensmitteln für das Sous-vide Garen
  • Einfachste Handhabung - Touch-Bedienung und Vollauszug
  • Einfachste Öffnung der Schublade - Push2open
Bauform
Eingebaut
Breite
595 mm
Farbe Gehäuse
Obsidianschwarz
Höhe
141 mm
Markenname
Miele
Tiefe
570 mm
Type
EVS 7010
Werks-Nr.
11103190

Service, den wir Ihnen gerne bieten.

Als Fachhändler endet unsere Leistung nicht mit dem Bezahlen - wir lassen Sie auch beim Onlineeinkauf nicht im Stich. Denn wir montieren und installieren Ihre Großgeräte auf Wunsch und erklären Ihnen dann ausführlich, wie Sie diese jetzt optimal nutzen können. So können Sie an Ihrer Neuanschaffung schon nach kurzer Zeit Freude haben.

Diesen Service bieten wir Ihnen in einem Umkreis von 20 km rund um 32584 Löhne. Die Preise für Montagearbeiten berechen sich nach Aufwand - hier erstellen wir Ihnen gern auf Wunsch ein individuelles Angebot.

Für eine Vielzahl von Service- und Montageleistungen bieten wir Ihnen, abhängig vom Gerätetyp, vorkalkulierte Preise, die Sie sich schon bei der Onlinebestellung sichern können. Diese Leistungen finden Sie in unserem Onlineshop direkt am Gerät.


Herstellerkontaktdaten von MIELE

info@miele.de

05241 89-0

Carl-Miele-Straße 29, 33325 Gütersloh, Deutschland

HINWEIS: Die Herstellerkontaktdaten werden regelmäßig geprüft. Änderungen seitens der Hersteller können jedoch zeitverzögert bei uns eingehen.